英国上市公司官网365(认证平台)Platinum China
官方电话:
400-0300263
股票代码:
300263
网站首页
关于我们
公司简介
荣誉资质
产品中心
循环水行业
石油化工行业
电力行业
冶金行业
压力容器
解决方案
客户案例
新闻动态
英国上市公司365动态
行业新闻
联系我们
加入我们
400-0300263
13213577667
EN
English
网站首页
关于我们
英国上市公司365
荣誉资质
产品中心
循环水行业
石油化工行业
电力行业
冶金行业
压力容器
解决方案
客户案例
新闻动态
英国上市公司365动态
行业新闻
联系我们
EN
English
股票代码:
300263
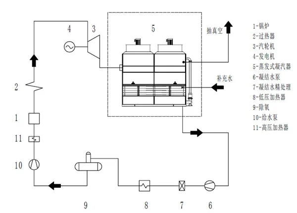
蒸发式冷却器
类别:冶金行业
BLT系列(冶金)蒸发式冷却器 是公司专门为冶金钢铁行业开发的蒸发式冷却设备,主要适用于软化水、脱盐水、液压油的冷却,将被冷却介质通过盘管与管外的喷淋水蒸发的潜热和喷淋水与空气的显热进行热交换,形成了封闭循环系统,避免了被冷却介质与空气接触而导致污染,从而造成被冷却介质的浪费、设备堵塞等故障而影响正常使用。节水节电、环保减排、运行费用低廉。
咨询热线:400-0300263 / 13213577667
工作原理
产品优势
应用领域
工作原理
蒸发式冷却器中被冷却介质通过换热管与管外的喷淋水蒸发的潜热和喷淋水与空气的显热进行热交换,利用轴流风机,将空气从进风格栅吸入,向上横掠过换热管束把热量排出机体,在风机下部安装有高效收水器,防止水滴随空气被带走。
蒸发式冷凝器顶部的喷淋水在下落到水箱内,经喷淋水泵循环使用,喷淋水在下落过程中一方面吸收管内热量,一方面蒸发降温,蒸发掉的部分喷淋水通过补水阀自动补充。
产品优势
01
换热管与管箱采用强力(度)胀接;
02
管箱采用丝堵式,便于检修更换列管;
03
列管材质有黄铜管、不锈钢管、碳钢管;
04
有效的应对热胀冷缩、应力释放;
05
集空冷式、蒸发式换热器优点于一身;
06
根据客户需要按需设计;
07
传热系数高、结构紧凑、占地面积小;
08
污垢系数低、末端温差小、重量轻;
应用领域
冶金用蒸发式冷却器专用于冶金行业: 炼铁厂高炉、热风炉软水闭路循环冷却;炼钢厂连铸结晶器、氧枪软水 冷却;轧钢厂、高炉自备电厂等软水冷却。
也可应用于电力、石化、硅酸盐业、制药、食品、锻造等行业软水闭式冷却,炼油化工厂的低温位油品冷却,大型油压机械液压油的冷却。具体用在下列行业中的各个工序。
填写您的需求,获取方案及报价
英国上市公司365将为您提供专业的方案及服务!
联系人
*
联系电话
*
需求填写
*
提交留言
*我们的专属客服将在24小时内,与您取得联系,请正确填写联系方式。
网站首页
电话咨询
返回顶部